7 Pin Plug
Replacement plug for caravans and trailers. Allows trailer board lights to mimic the towing vehicle.
● Standard 7-Pin Connection
● Pin style: Brass pins with screw terminals
● Designed to conform to ISO1724
Description
7 Pin Plug
Replacement plug for caravans and trailers. Allows trailer board lights to mimic the towing vehicle.
● Standard 7-Pin Connection
● Pin style: Brass pins with screw terminals
● Designed to conform to ISO1724
Material: shell (nylon) needle (58 copper) tail (PVC plastic cover) screw (iron plating)
Executive standard: ISO 1724
Voltage: 12V
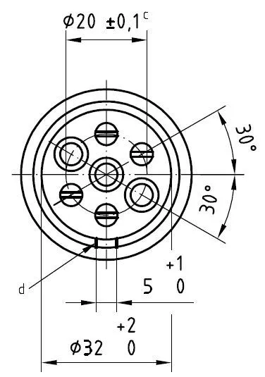
Dimensions in millimeters


Function: The 7 pin plug shall have four spring pins, numbered 1, 3, 4 and 6, and three tubes, numbered 2, 5 and 7.
The function of each of them lists as below:
1- Left turn signal light,
2- Rear fog light,
3- Public circuit,
4- Right turn signal light,
5- Right exercise light/width indicator light,
6- Brake light,
7- Left exercise light/width indicator light
Hot Tags: 7 pin plug, China, suppliers, manufacturers, factory, wholesale, buy
Send Inquiry
You Might Also Like












